网站首页
公司简介
产品中心
联系我们
车间设备
新闻动态
公司公告
产品用途
您的位置:网站首页 >
产品中心
-- 电机系列
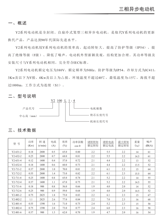
Y2系列三相异步电动机
详细内容
版权所有©绍兴劲鹰机械制造有限公司
浙ICP备10204338号-3
首页
电话
邮件
产品